一、简介
当设置集中排风的空调系统在技术上和经济上合理时,宜设置空对空能量回收装置……(《节能设计规范》第4.3.25条要求公共建筑标准”,总则); 当集中式新风空调系统用于严寒、严寒地区时,除排风中含有有毒、有害和高污染成分时,当系统设计最小新风总量大于或等于40000风量时m3/h,应安装集中废气热回收装置(《建筑节能与可再生能源利用通用规范》强条中3.2.19要求)。
2、设置能源热回收装置的一般要求
一般要求
1、应根据处理的风量、新排风中显热和潜热的成分以及排风中污染物的种类来选择能量回收装置的类型。
2、额定热回收效率应不小于60%。 当采用全热回收时,应分别明确显热效率和全热效率。 当装置排风侧气流上游无过滤器时,积尘影响的效率衰减可按额定效率的5%~10%考虑。
3、在严寒地区使用时,需检查热回收装置排气侧是否结霜或结露。 当发生结霜或凝露时,应采取预热等保温、防冻措施。
阐明
是否设置热回收首先应进行经济和技术合理性分析。 并非所有热回收设置都具有节能优势。 热回收的经济分析应考虑以下几个方面:
1)设计点工况分析
由于热回收设备的设置增加了排风侧和新风侧的空气阻力,因此必须在一定程度上提高排风机和新风风机的风压。 因此,在该工况下,吸收的冷热可以转化为电能,换算方法为:制冷设计工况下的性能系数可按4.0计算,制热设计工况下风冷热泵系统的性能系数条件下可按2.0计算。
当回收的电能小于空调排风机和新风机增加的耗电量时,采用空气热回收装置是不经济的,此时不宜设置空气能量回收。
(根据总则GB55015第3.2.19条规定,当空调系统新风量达到一定规模时,一般>4000m3/h,废气能量回收的节能效果显着。相信制定这篇文章的专家应该是经过严格的实验和论证的,你应该可以相信)
2)年度工况分析
即使设计条件下回收的电能大于风机增加的功耗,也不一定节能。 因为设计工况是全年新排风温差(热函差)最大工况,随着新排风温差(热函差)变小,电能回收量也会变小。 因此,对于全年运行的系统,需要计算所有能量回收运行期间回收的电能量,然后将冬季和夏季回收的总电能与风电新增电量总量进行比较涡轮。 只有前者大于后者,才能有一定的节能效益。
3)经济分析
节能效益并不一定意味着经济效益。 热回收机组体积大、系统复杂、占用机房空间大。 由于增设能量回收功能段,初期投资较高,因此需要考虑初期投资回收期,一般不大于5年。 是合理的。
3、典型能量回收装置性能及原理
常见的能量热回收装置有轮式、液体循环式、板式、热管式、板翅式、溶液吸收式等。 基本性能详细如下表:

各种能源热回收装置比较

图片来自网络
1、旋转能量回收装置

特征
其内部有一个以恒定/可变速度旋转的转轮。 它是采用高效蓄热吸湿材料(全热一般为分子筛,显热一般为硅胶)采用特殊工艺制成,或采用特殊复合材料加工成波纹板、平板再卷制成圆柱形蓄热芯,由一层平板和一层波纹板交替组成。 各层之间形成许多蜂窝状的通道,即气流通道。 该装置由皮带传动装置驱动。
设备结构紧凑,占地面积小,节省空间; 热回收效率高; 单跑者迎风面积大、阻力小。 广泛应用于大风量组合式空调机组的热回收。
原则
冬季,室内排风的焓值高于室外新空气的焓值。 当废气经过转轮时,由于能量交换,转轮的温度升高。 当它旋转到新风侧时,向低焓新风释放能量,新风升温。 夏季则相反,新鲜空气温度降低。 由于转轮的不断旋转,高温侧空气与低温侧空气不断进行能量交换。
在全热型转轮中,湿度也会被传递。 当两侧空气的水蒸气分压存在压差时,水分会通过转轮的吸湿材料从高端被吸收,旋转后在低端释放,从而实现潜热交换。 。
2、板式/板翅式能量回收装置

板式和板翅式的结构形式基本相同,区别如下:
1)板式热回收装置属于显热回收,板翅式热回收装置属于全热回收。
2)板式芯材为金属或非金属塑料,板翅式为多孔纤维非金属材料。
3)相应的显热和潜热回收效率不同。
4)迎风面风速板式≤5m/s,板式≤3m/s。
5)工作温度:板式-60~800℃,板翅式-10~50℃; 前者的工作压力高于后者; 前者允许空气含尘量一般,后者较大; 前者铁芯使用寿命长,后者铁芯使用寿命短; 前者设备初始投资较高,后者较低。
特征
密封性好,混气率低; 热回收效率高; 无活动部件,运行平稳可靠,维护成本低。 板式换热器广泛应用于空调热回收新风换气机。
缺点是设备体积大,需要大量建筑空间,易堵塞,清洗困难,阻力大,不适合大风量的场合。
原则
板式热回收装置是在隔板两侧气流存在温差或水蒸气分压差时回收显热或全热。 在板式热回收装置中,两股气流交叉流过热交换器。 显热换热器的隔板采用导热性能良好的不渗透材料制成,通常为铝。
全热交换器是一种可渗透的空气-空气热交换器。 隔板采用经过处理的材料制成,具有良好的传热、透湿性能。 隔板两侧水蒸气的分压差进行湿度交换,高湿度一侧的水蒸气被吸湿剂吸收,并通过隔板的毛细管作用释放到低湿度一侧(通常纸纤维)。 温度(显热)交换机理是不同温度的空气流经介质两侧时,通过传导进行热量交换。
一般由电机带动转轮以10r/min的速度旋转,废气从换热器上侧经转轮排至室外。 在此过程中,排出的空气中的热量全部储存在转轮中,而室外空气则从转轮的下部进入。 通过跑步者,室外空气吸收跑步者节省的能量,然后供应到室内。 当转轮转速低于4r/min时,效率明显下降。
3、液体循环能量回收装置

特征
优势
1)新风和排风通过中间液体传递能量,不直接接触,不存在新排风交叉感染的风险。
2)热回收换热器通过管道连接。 新型排风空调机组为分体式,安装灵活方便,空间限制小。 其对应的新型室外出风口可以有效地相互隔离,避免短路。
3)运行稳定可靠,使用寿命长。
4)循环泵、热回收换热器为常规产品,设备成本低,维护方便。
缺点:
1)由于通过循环液体进行间接热交换,新排风的热交换效率较低。 市场主流产品的热回收效率不足65%。 这可以通过设备制造时优化换热器的换热面积和通过风速来保证。 热回收效率不低于55%,该设备的热回收效率通常为55%~65%。
2)热回收换热器按显热法进行热量交换,不能回收潜热。
3)由于安装了循环水泵、膨胀水箱、循环管道等,增加了新增排风空调设备的初期投资; 由于循环泵和新型余热回收换热器的功耗导致空气阻力增加,导致机组运行成本增加。 增加。
原则
一般新风侧和排气侧采用气液热交换器。 在制冷季节,当排气侧的空气流过时,对系统中的制冷剂进行冷却,新风侧冷却的制冷剂将制冷量传递给进入的新鲜空气。 制冷剂在泵的作用下在系统中不断循环。 。
中间介质换热器配备压缩机、冷凝器、蒸发器等一系列配套设备,成为热泵换热器。 此类换热器可回收大量潜力,热效率高。 但其消耗能源,设备投资成本较高。


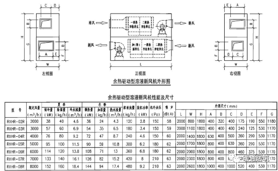
4、溶液吸收能量回收装置
特征
1)总热回收效率可高达50%~85%。 总热回收效率不会随使用时间的延长而衰减。 溶液与空气充分接触,可有效去除空气中大部分微生物、细菌及可吸入颗粒物。 ,具有净化空气的功能。
2)内置溶液过滤器,可保证溶液的清洁度。 新风与排风完全独立,避免交叉污染。 结构简单,维护方便,运行稳定可靠。 它是一定浓度的盐溶液,凝固点较低。 一般不需要采取防冻措施。
3)但设备体积较大。 对于室内产生有毒物质的场所,有害物质会溶解在热交换液中并喷洒在空气中,对健康有害,或者回风中可能存在与盐溶液反应产生的物质有害物质。 天然气也不适合使用并且应用有限。
原则

1)采用具有吸湿、除湿特性的盐溶液(溴化锂、氯化锂、氯化钙及混合溶液)作为循环介质,通过溶液的吸湿、蓄热作用,在新风与排风之间传递能量和水蒸气。 ,实现充分的热交换。 当溶液表面的蒸气压与直接与空气接触的水蒸气分压之间存在压差时,就会发生传热和传质。 当溶液与空气进行热质交换时,会吸收或释放水。 相变的热量导致两者的温度发生变化。 溶液吸收热回收就是利用这一原理在新鲜空气和废气之间进行能量交换。
2)溶液全热回收装置主要由换热器和溶液泵组成。 热交换器由填料和溶液罐组成。 填料用于增加溶液与空气的有效接触面积,溶液罐用于储存溶液。 溶液泵的作用是将溶液从换热器底部的溶液罐输送到顶部,通过喷淋使溶液与填料内的空气充分接触。
3)溶液全热回收装置分为上下两层,分别连接至通风或空调设备的排风侧和新风侧。 冬季,排出的空气温度高于新鲜空气的温度。 当废气经过热交换器时,溶液温度升高,水分含量增加。 当溶液与新鲜空气接触时,它会释放热量和水分,使新鲜空气升温并加湿。 夏季则相反,新鲜空气被冷却和除湿,排出的空气被加热和加湿。
4)多个单级全热回收装置可串联组成多级溶液全热回收装置。 新风和废气逆向流经各级,与溶液进行热质交换,可进一步提高总热交换效率。

5、热管能量回收装置

特征
结构简单紧凑,单位换热效率高,阻力低,交叉污染少,排气泄漏小于1%,独立的热管组件,单一故障对整个设备的性能几乎不产生影响。 无传动部件,运行可靠,易于清洁,使用寿命长。 但只能回收显热。
由于热管具有较高的传热系数,近年来在空调热回收系统中得到了广泛的应用。 热管由于传热速度快、传热温降小、结构简单、易于控制,将广泛应用于空调系统的热回收和热控制。
原则
热管热回收装置以热管元件为能量回收核心,与通过的新风、废气进行能量交换,实现能量回收利用。
一般热管是由钢管、铜管、铝管等填充导热介质,抽成一定真空后密封而成。 管内工作介质混合有多种无机活性金属及其化合物,具有非凡的热活性和热敏感性。 感性上,热时吸收,冷时释放。 这种热超导工质在一定温度下被激活,以分子振荡相变的形式传递热量。 其超强的导热性能使其导热系数极高。 传导温度不衰减,可以极快的速度传输。 为了便于冷凝液顺利返回蒸发段,热管通常垂直或稍向横向布置。 工作温度一般为-40℃~80℃
4、能量回收空调机组设计选型注意事项
1、旋转能量回收装置
1)全热回收转轮一般按总热效率75%左右选择,转轮本身的阻力损失不超过300pa左右(相同规格下,阻力与风量有关。风量越大,阻力越大,换热效率越高(低)。
2)流道一般要求垂直放置。 直径小于或等于1500mm的流道可水平放置,但需采取相应的加固措施。
3)热回收转轮的新风侧和排风侧均应安装空气过滤器。 排风侧可采用初效一级过滤,新风侧宜采用初中效两级过滤。 另外,在一些特殊应用场合,如产尘、回风中固体颗粒较多时,回风过滤器最好采用初效和中效的两级过滤器。
4)新排风机的布置必须符合要求,以便转轮清扫风机正常工作。 同时,风机的风压应相互匹配,各风量应满足设计要求。

5)严寒和严寒地区,热回收转轮新风侧应安装预热器,防止冬季转轮结霜或结冰。 是否安装新风预热器,应根据设计条件下能否保证排风出口温度较高而定。 在排风露点温度1~2℃时测定,
6)新风、排风、回风等处应安装风量调节阀(最好是电动)。
7)热回收转轮新风通道和排风通道两侧应安装压差表/压差传感器,检测风量; 还应安装温度和湿度计/传感器。
8)转轮驱动电机电路应设有过载保护器、运行指示灯、开关,并与空调系统工作电路联锁。
9) 与转轮相邻的两侧应设有检修门或可拆卸的管段,以便于清洗转轮。
10)系统新风进风口和排风口应不小于10m,垂直方向应不小于3m,以避免空气混合。 间距是非标准的、强制性的,所以只要合理就尽量满足。
2、极板能量回收装置

1)室外温度较低时,排风侧是否结霜、结露,应根据室内空气的含水量来判断。
2)一般来说,新风温度不应低于-10℃,否则排气侧会出现结霜。
3)当排风侧可能出现结霜或结露时,应在热回收装置前安装空气预热器。
4)新鲜空气在进入热回收装置之前必须经过过滤和净化。 废气进入热回收装置前还应安装过滤器; 但排气比较干净时则不需要安装。
5)废气中含有有害成分时不宜使用。
6)由于阻力损失较大,为了利用新风,降低过渡季节能耗,应在换热器旁边设计旁通管道,让新风通过。 与换热器相连的风道和旁路风道上必须安装气密性良好的风阀。
7)安装位置应便于铁芯维护和更换。

3、液体循环能量回收装置
液体循环热回收装置由循环泵、排风换热器、新风换热器和密闭膨胀水箱组成。
循环液体通常是水。 为了降低水的冰点,一般会在水中加入一定量的乙二醇溶液。 循环液的冰点通常比当地冬季室外最低温度低4℃~6℃。 乙二醇水溶液的质量百分比可按下表确定:

1)换热器排数宜为6~8排,换热器顶风风速宜为2m/s,最大风速不宜大于2.8m/s。
2)换热器内循环液体的进出口及气流方向对热回收量有显着影响,影响范围可达20%左右,因此需严格控制逆风风速。
3)新风排气换热器的热回收效率会因积尘或堵塞而明显降低,应在进口处安装过滤器。
4)循环水泵的扬程可按下式计算:


5)当循环液体使用乙二醇溶液时,乙二醇溶液与锌接触会发生化学反应,因此液体循环管路不得采用含锌材料。
6)新排气机组之间的液体循环管道不宜过长,以免热回收效率过度降低。 工程设计时一般不超过20~30m为宜。
4、溶液吸收能量回收装置

5、热管能量回收装置

1)冬季使用时,将低温侧向上倾斜5°~7°。 夏季可采用手动方法向下倾斜10°~14°。
2)气流进入热管热回收装置前应经过过滤,空气中不应含有腐蚀性成分。 当热气流含水量较大时,应设计冷凝排水装置。
3)迎风面风速宜控制在2~4m/s之间,一般为2.5~3.5m/s。
4)可垂直或水平、并联或串联安装。 热管排数一般为4~10排,排数较少时,热回收效率较低。 当数量大于10排时,热回收效率略有提高。

7)由于热管和翅片上积尘等因素,计算出的效率要乘以一定的折减系数,通常乘0.9。
识别二维码即可下载本文


微信客服
微信公众号